University of Louisville Researches Advanced Grid-Connected Inverter Control Systems
The following paper was presented at this years Electric Power Industry Conference, Oct.15-16, hosted by University of Pittsburgh Swanson School of Engineering, the Energy GRID Institute and the Center for Energy, Pittsburgh, Pennsylvania:
Power Electronics is an enabling technology for a wide range of commercial and industrial applications. Research at the Electrical Energy Systems Lab at the University of Louisville focuses on developing novel control and observation strategies to improve the steady state error and dynamic performance of grid-connected inverter systems, a central component of renewable energy sources, battery storage systems, and microgrids.
At the lowest level, existing control strategies utilize a cascaded approach, based on linear system assumptions. When the control objective of the inverter is to source real or reactive power to the grid, Proportional-Integrator (PI) or alternately Proportional-Resonant (PR) schemes are utilized. The later approach corrects the steady-state error problems present with the PI solution. Steady-state error causes undesirable power exchange with the grid as well poor power factor correction behavior.
Ongoing research seeks to improve these various control schemes by utilizing nonlinear control approaches to meet the over-all control objective in the presences of various forms of uncertainties, unmodeled effects, and nonlinearities present in grid connected systems.
Both three-phase and single-phase systems are considered in our research. The later system has some additional complications with the inherent ripple current present in the single phase system. These novel approaches are validated through rigorous mathematical analysis along with instantaneous circuit simulation using modern engineering tools, such as PLECS. We have also developed a 2.5 kW three phase inverter platform for rapid controls prototyping to validate our novel schemes. Our system uses the CRIO platform from National Instruments (NI) that has both real-time processing and FPGA for extremely fast sampling and control loop rates. Our goal is to perform experimental validation for all of novel control schemes.
Microgrid Test Beds
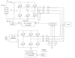
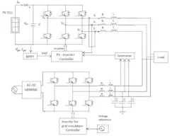
More recently, the efforts of the Electrical Energy Systems Lab at the University of Louisville have focused on developing a microgrid test bed. This system comprises two of our prototype inverters that are tied together at a point of common coupling providing power to a custom programmable load. One inverter acts as the grid-emulating inverting while the other syncs power from various into the load.
Typically, the inner control loop uses a PR control scheme for the current control with an outer voltage-loop that manages the voltage waveform, hence creating a cascaded control architecture. Then the second inverter uses a Phase locked loop (PLL) to obtain the grid parameters of voltage magnitude, grid frequency and phase that is utilized by a PR current-loop.
This experimental test-bed uses NI’s CRIO hardware for the low-level control loops for both inverters as well as system level control of the micro-grid/load. In our academic research we have numerous papers to address the various control schemes that are utilized. One example of our research, completed in conjunction with Joseph Latham, Ph.D., a graduate of the Electrical Energy Systems Lab at University of Louisville, considers an alternate approach to using a PLL to obtain the grid parameters.
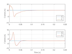
This work achieves current control in the presence of missing grid parameters. In our scheme we only measure the grid currents without a PLL and are able to meet the desired current tracking. PLLs are implemented with feedback systems that have dynamic response with overshoot, and steady state error. By eliminating the PLL of the cascaded system, the overall dynamic response can be improved along with removing costly sensors and computational elements. This approach has been validated through simulation and we hope of experimental results in the near future. In Figure 1, we see that the current control objective is a achieved very quickly.
In Figure 2, the scheme is also able to estimate the grid parameters (Voltage Magnitude Vg, the grid frequency ω, and grid phase θ.) The real take-away from this research is that fact that we can export power through current control without the grid parameters typically obtained from a PLL that requires measurement of grid voltage and current, along with the computation required of a PLL system. Our opinion is this approach will meet IEEE 1547 standards, which requires the synchronization device to withstand 180 degree out-of-phase connection to the grid. We still need to do the experiment, which will be forthcoming with our microgrid set up. Through the use of this experimental platform we can validate the current control scheme at typical voltage and current levels.
The lab at University of Louisville is also developing novel control schemes for a wide range of grid-connected inverter applications, including active power buffering, FACT devices, integration of renewables to the grid, and control of microgrids.
The Electrical Energy Systems Lab at the University of Louisville is successfully developing strategies for controlling and observing grid-connected inverters, which help to improve the steady state error and dynamic performance. These and other findings have been published at various IEEE PELS, PES, and Control Systems Society conferences and journals.
The Electric Power Industry Conference is a T&D World media partner.



