Distribution Automation Doesn’t Have to be Automated
Implementing distribution automation with fault location isolation and service restoration (FLISR) may seem like a large and expensive task to take on, especially for small rural utilities with minimal engineering staff, but it doesn’t have to be. Utilities can take small, precise steps to gain much of the benefit with a fraction of the effort.
Ideally, utilities want to install a complete advanced distribution management system (ADMS); however, many of the same advantages of such a system can be achieved by focusing on specific techniques that apply to the priorities of the utility. Likewise, they can focus on restoring power more quickly without building a huge, complex communications system that is expensive and complicated to install.
Outage Scenario
In a remote forest in the upper Midwest, a utility’s electric distribution system weaves through a heavily treed, hilly terrain to serve homes and cottages that dot the area and its lakes. It’s the July 4th holiday, it’s hot with record temperatures, but vacationers are eager to witness the local town’s fireworks show. An overaggressive driver crashes his new Ford F-150 into a pole right outside the substation at 9 p.m., leaving 1,000 customers without power or air conditioning on this sweaty night.
The utility is flooded with calls from customers. Dispatch calls Jim, the lineman on call during the weekend. He responds to the outage immediately but it takes him 40 minutes to get onsite to assess the damage because he lives on the other side of town. It is now 9:40 p.m., and Jim realizes that he is going to need two more linemen, a new pole and equipment that is not on his service truck. Jim heads back to the shop to prepare the material and wait for the others to meet him there. It is now 10:20 and it’s getting hot. The kids are going to miss the fireworks because no one wants to drive in the blackness. The three-man crew is leaving the shop on its way to replace the broken pole and restore customer service. At 10:50 p.m. they arrive on-site and start their work to replace the pole.
At 12:20 a.m., the pole has been replaced and the lineman can now contact dispatch to perform switching to close in the substation recloser. Service has been restored to all customers, 3.5 hours after the outage. During this outage, the feeder saw 210,000 customer outage minutes that will directly affect the company’s yearly outage metrics.
But consider this scenario. What would happen if switching was performed to restore 800 customers within two minutes of the outage occurring using distribution automation, or FLISR (fault location isolation and service restoration)? The customer outage minutes would be reduced to 43,600 compared to 210,000; a 79 percent decrease.
Sounds great, right? Why doesn’t every utility implement distribution automation?
Excuses, Excuses, Excuses…
Electric utility professionals know more than anyone the heartache of an outage close to the source. After discussing the possibility of adding distribution automation with multiple smaller utilities across the country, the conversation quickly gets snuffed out due to lack of internal technical support and funds to kick off a large investment such as this. Here’s how the conversation goes:
“We don’t have that type of communication infrastructure set up.”
“I’m not a communications guy. I wouldn’t even know where to start to implement something like that.”
“Even if we went out and bought an off-the-shelf software to install the FLISR logic, I would never feel comfortable having a computer execute switching procedures without human intervention.”
“I can’t even find enough time in my day to keep up with the projects we have. How would I be able to implement something that will completely change how we have operated our system for the last 100 years?”
“I just read that an upstate utility spent $16 million on distribution automation. That is my total budget for the last 5 years combined.”
Some of the issues raised are valid, but automation doesn’t have to be this complicated. U.S. utilities are “lagging far behind on their promises of achieving a digital future.”[i]
Project Approach
When starting a project such as distribution automation, the utility must ask the question, “What are we trying to accomplish?” Once that answer is known, you must then get laser focused on that goal.
If the goal is to reduce outage numbers on one specific feeder, don’t worry about how the outage management system (OMS) will integrate with billing. Or if the goal is to capture voltage data out of a specific substation because of power quality complaints, don’t worry about changing jurisdictional boundaries from field operations to central dispatch.
These scenarios may seem off the wall and completely unrelated. But too many times, a worthy project has been canceled because the scope exploded due to non-focused project implementation. When there is a need, do the research to find the best solution for that need, work toward that solution and block out all the noise that starts with “You know what would be really nice to implement along with this is…”
Substation-Based Automation
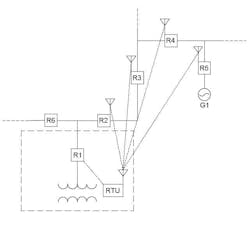
For years, a utility in northern Wisconsin has had a version of distribution automation on its system in the form of transfer trip for multiple customer-owned methane digesters used for generation spread across its territory. The intent of the transfer trip scheme is that if any device upstream of the generator trips (causing the line segment connected to the generation to go dark), then the recloser feeding the generator will trip to prevent back feed and re-energization on the faulted feeder.
For example, using Diagram 1 below, if any of the devices R1 through R4 open then that device will send a signal to the RTU to say that it is open. The RTU then sends an open signal to R5 to isolate the generator and prevent back feed onto the system.
The beauty of this system is in its simplicity. The substation already has communication back to central dispatch. The isolating recloser is only communicating with the substation via point-to-point radio, and all the switching logic is contained in the substation remote terminal unit (RTU). That’s it.
Using the same logic, it is not farfetched to think that a distribution automation scheme can be implemented with the same simplicity. Simply create a point-to-point communication network with the field devices and have them communicate to a PLC in the substation, then program some simple if/then logic.
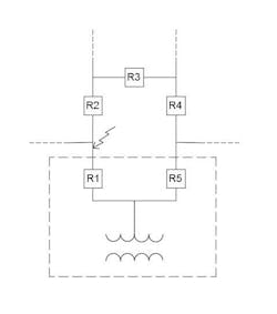
For example, if there is a fault in the zone between R1 and R2 on Diagram 2 below, the following logic would restore the load between R2 and R3.
If R1 opens, then Trip R2 then Close R3.
Obviously, this is an over simplification of a complex process of checks and switching steps, but it is an easy example of adding a small communication network with some programmable logic that could make some significant gains in reliability.
Distribution Automation without the Automation
The distribution automation project referenced above incorporated in-house built logic that would automatically restore portions of the feeder within 2 minutes of the initial lockout. The design for this logic required many meetings and hours of brainstorming, designing, testing, adjusting and testing again. In the end, the team assembled what it thought was a very robust FLISR logic engine that performed flawlessly during onsite field testing.
It took a few months, but the first event finally occurred during a small wind storm. The logic performed correctly by failing out because the data indicated low voltage on the feeder picking up the load. The subsequent investigation determined that the voltage sensors were not providing accurate voltage readings.
A month passed. A second event occurred when a tree fell on a line, causing a high impedance fault. This event caused the voltage to drop, causing a control power transfer switch at one of the DA reclosers to chatter on and off hundreds of times. This caused a flood of DNP (Distributed Network Protocol) events and caused the DA event to fail again, once again, as designed.
As the year went on there were nine possible events on this feeder and less than half were considered successful because five of the nine events did not switch automatically. The good news is that during the first year, over 2.2 million customer outage minutes were saved, resulting in an overall 2.7 percent outage minute savings for the entire company.
The significant savings in customer outage minutes was a direct result of system operators using remote switching to perform the same function as the FLISR logic. No, they were not able to complete the switching in the 2 minutes as designed by the software, but they were, in most cases, able to switch within 15 minutes of the outage lockout.
The team spent a year designing and testing the FLISR logic when all that was really needed was to add visibility and control to specific devices and train system operators, resulting in a large impact on reliability numbers.
In the example above, a 3. -hour outage resulted in 210,000 customer outage minutes. Using FLISR, it could be reduced to 43,600 outage minutes. Alternatively, if that same outage occurred and remote switching was used to restore customers within 15 minutes instead of two, it would reduce outage minutes to 54,000; a 74 percent decrease. The difference between automatic switching and remote switching was only 10,400 outage minutes, or 5 percent of the original event.
Every utility should investigate the usage of communication, remote data collection and remote control. Sometimes an effective upgrade is simpler and less expensive than first perceptions.
[i]Digital Disconnect; Russell Ray, Power Engineering, November 2017.


