Ellevio AB (formerly Fortum Distribution AB) is a distribution system operator supplying some 900,000 customers in Stockholm and other parts of Sweden. The utility has approximately 1700 11/0.4-kV secondary substations in Stockholm. Standard equipment for monitoring and control in the secondary substations includes a stand-alone power-quality measurement instrument, earth-fault and short-circuit indicators, an alarm panel and, if appropriate, an automatic switchover device for the two redundant medium-voltage (MV) systems. These all are handled locally without any remote communications.
The traditional communications system with each of the secondary stations is a combined alarm function comprising five to 15 unique alarms caused by high transformer temperature or a tripped circuit breaker, for example. Any one of these alarms triggers an alarm through the underground control cable network to the source primary substation and, from there, through the supervisory control and data acquisition (SCADA) system to the network operations center. Because of its location in the dense urban area, the aging control cable network in Stockholm means steadily increasing maintenance costs and prolonged repair times.
For technical reasons, the existing control cables are not suitable for high-speed data communications. Therefore, a modern mobile data communications solution would bring increased bandwidth and two-way communications, which would offer supervision, data acquisition and control facilities. Furthermore, Ellevio foresees an increased need for control at the customer end of the network, which also implies the need for more intelligent control equipment in secondary substations. To satisfy this anticipated demand, the utility has started several pilot projects. In particular, the objective of the Stockholm project is to gain experience and evaluate a technical solution for improving the monitoring of secondary substations as well as the use of mobile communications to replace the control cable network in Sweden’s capital city.
Medium-Voltage Switchgear
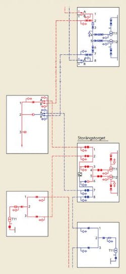
In central Stockholm, the MV network is designed with a duplicate cable network. In the pilot project’s medium-/low-voltage (MV/LV) substation, Storängstorget, the MV switchgear has four cable bays connected to these two systems. The substation also is equipped with two 1000-kVA, 11/0.4-kV transformers.
The switchover between the two MV systems is executed by Smart Ring MV switchgear, manufactured by HM Power. Full-range circuit breakers are installed in every bay to enable remote control of these units in the future.
Remote Terminal Unit
Netcontrol’s Netcon 100 concept was selected as a remote terminal unit (RTU). The platform is a modular, scalable solution for intelligent distribution networks as well as the monitoring and control of secondary substations. It provides the following functionality:
- Fault management for MV networks
- Quality measurement of current, voltage and power in LV and MV networks
- Transformer temperature measurement
- Event recording and alarm logic
- Remotely controllable inputs/outputs
- Comprehensive range of data communications features
- Wide range of remote-operation protocols to the network operations center
- Local human-machine interface
- Battery charging and voltage and condition monitoring
- Centralized management of software versions and configurations.
In addition, new automatic switchover functionality for the two redundant MV systems was developed and implemented in the Netcon 100, specifically for Ellevio.
Radio Planning
Early in the planning phase, mobile coverage measurements were performed on-site to verify communications in the area, and one of the public mobile 3G network operators was chosen. The selection of the antenna also was important. Three main aspects were considered for mobile communications in an urban area:
- Radio characteristics
- Aesthetic appearance of the antenna itself, as well as its final installation on the substation
- Design to minimize the risk of vandalism and sabotage.
Planning and Design
The location selected for this pilot project installation was a new 11/0.4-kV indoor secondary substation in the expanding urban area of Stockholm Royal Seaport. Ellevio decided radio characteristics should be the most important requirement, but there would have to be a trade-off among the three criteria for different kinds of stations. A small hockey-puck-shaped antenna was chosen and mounted on the substation’s roof.
The RTU can obtain the system time through its built-in GPS or from the SCADA system through an Internet time server, or alternatively through the International Electrotechnical Commission (IEC) 60870-5-104 protocol. The latter was selected to avoid the need for a second separate GPS antenna or a combined antenna with two cables.
System Architecture
Creating a robust communications solution involved detailed consideration that resulted in Ellevio deciding to retain the old control cable alarm system as a fallback alternative. The solution was divided into three parts:
- SCADA. The IEC 60870-5-104 protocol and a secure gateway server were already implemented and well proven within Ellevio’s systems.
- Power-quality data. A secure, unidirectional file-transfer function of the power-quality files to the analysis cloud server was installed. Because the server was located outside Ellevio’s network, the most important requirement was to eliminate the risk of any intrusion or manipulation attempts.
- System administration. Ellevio used two-factor authentication plus login to a security gateway for the remote access to the configuration of the RTU.
Requirement Specifications
Several meetings were held to discuss the technical solution, including a site visit to another Swedish distribution system operator that already had Netcon 100 in operation.
One challenge was to get this solution to work in parallel with Ellevio’s existing solutions, for example, with the control cable and fault indicators. Another challenge was to get the equipment, such as switches and alarm diodes, to operate as in any other secondary substation in Stockholm.
The planning phase resulted in detailed requirement specifications including issues such as battery lifetime, the number of digital input signals and security. This was a meaningful learning experience for Ellevio since the utility was required to prepare the technical solution in detail. One important aspect of this work was to compare and clarify interfaces with the components from all manufacturers in the secondary
substation.
Commissioning
It was considered essential to perform factory acceptance tests on the new equipment selected before delivery to the site. The RTU and the MV switchgear were connected in the factory, and full-scale tests of the automatic switchover functionality were completed. Other functionality of the RTU was also tested, including communications tests with the network operations center.
The major challenge of the pilot project proved to be the installation phase. The chosen secondary substation was built on-site with several different equipment suppliers, which in itself is a challenge. Overall, the challenges were related to several factors:
- Some equipment interfaces had not been thoroughly clarified during the planning phase.
- There was incorrect documentation, caused by insufficient change management of documentation.
- Employees were unfamiliar with this type of equipment.
- It was difficult to find a project manager with competence in all aspects of the application.
More issues encountered during installation included current sensors on the MV cables being fitted incorrectly, clamps not being removed after the installation of LV current transformers and the current transformer ratio not being configured correctly.
Operational Experience
Ellevio’s network operations center normally focuses daily monitoring of the distribution network on primary substations. For example, alarms, events and measured values are mainly visualized on that level. For the secondary substation, a corresponding surveillance view in the SCADA system was chosen. While it is possible for an operator to monitor a limited number of primary substations actively on screens, the number of secondary substations is higher in magnitude by a factor of 100. Therefore, any future wide-scale monitoring of a large population of secondary substations would require a different solution for the operators.
One example scenario would be a major power loss in a primary substation, making a large number of secondary substations simultaneously lose their power. In a large-scale implementation of supervision of secondary substations, it will be essential to use intelligent filtering of the alarm signals displayed at the network operations center.
The experience gained from the chosen 3G operator indicated communications performance varied daily. For days, the communications would run flawlessly and then suddenly performance would drop and, on certain days, contact would be lost several times for long or short periods. Early indications pointed to the effect of the poor mobile network performance, particularly during bad weather conditions. The effect was occasionally contact would be lost between the secondary substation and the network operations center. The traditional RTU stores no historical records for the SCADA system, so the real-time values were lost during the drop-out periods. However, the power-quality files were still recorded locally by the Netcon 100 and transferred to the analysis server as soon as the communications system was restored.
Remote service management of the RTU and the short communications interruptions were not critical for this single pilot project. Service management seldom requires immediate access, but in a large-scale implementation of this system, the problem should be reviewed.
Power-Quality Data
As part of the concept, Ellevio found the RTU functionality for built-in power-quality measurements especially interesting. The power-quality measurement is remotely configurable with a large variety of settings. The analysis software Netcon PQA may be licensed on stand-alone machines, but the project chose to use the analysis software as a cloud service.
Power-quality data is accessible through a web interface. The apparent power and transformer temperatures were plotted for a week. The maximum measured power was about 550 kVA, which is about 25% of rated power for the secondary substation. This is because not all customers had been connected. Also, it was observed there was a 5°C to 10°C (41°F to 50°F) difference between the two transformers. This difference was found to be a result of the fan on one transformer being in operation continuously. This installation fault could be corrected.
The volume of power-quality data increases rapidly, which makes it important to consider the number of measuring points and also time resolution. The data is collected through file transfer, and the files are packed in a zipped format, which greatly reduces the file sizes. Ultimately, this will affect the allowable data volume of the mobile subscription.
Key Learnings
Important learnings from the planning, installation, commissioning and early operational experiences of the system are as follows:
- When more companies are involved than for a traditional secondary substation, correct project information and documentation are very important.
- Appointing a project manager will minimize the risk of failure during installation and commissioning.
- New technology puts new requirements on the staff’s competency.
- Well-designed system architecture is essential.
- Prioritize the data that is most important to optimize the solution for substation monitoring and power-quality analysis.• Netcon 100 has an advantage as the hardware is scalable, so technical solutions can be adapted as required.
- Netcon 100 is flexible in terms of configuring which values to measure and how to aggregate them before posting the values to Netcon PQA or the SCADA system. Settings also can be changed remotely.
- Sending real-time values from the secondary substation to the SCADAsystem provides the network operations center with additional network information.
- Using wireless communication with a standardized interface means an alternative is available if one communication operator fails.
The pilot project has been both a rewarding and demanding challenge for Ellevio. The system is now in operation and subject to continuous evaluation. In the foreseeable future, it is likely future some of the important secondary substations in central Stockholm will be equipped with similar monitoring and communications facilities supplied by alternative manufacturers.
Acknowledgement
The authors wish to acknowledge the technical support and assistance received from Örjan Eriksson of Netcontrol AB and Lars Hjort of HM Power AB in the preparation of this article.
Joar Johansson is a development engineer at Ellevio. His current main focus is the local network in Stockholm and, more specifically, secondary substations and its components. Johansson worked previously with photovoltaic technology at Solibro (2007-2008) and measurement technology at ABB (2008-2011).
Henrik Sporre ([email protected]) is a system manager for network and infrastructure solutions at Ellevio. He is currently responsible for Ellevio’s supervisory and control data acquisition communications solutions in Stockholm and on the Swedish West Coast. Sporre has a background in the consulting industry within the mobile telecom and energy fields, working with electronics construction computer programming, communications solutions and new services.
Lars Selberg is head of the local network Stockholm at Ellevio. Selberg is responsible for the low- and medium-voltage utility network in the Stockholm region. He previously held management positions at Emerson and Ericsson in the telecom power field. He is currently a member of the Swedish National Committee and the Session 5 Group of CIRED.





