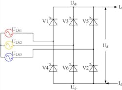
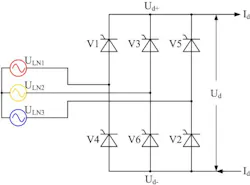
The basic theory column we started in the Digital Innovations Center’s newsletter is starting to get a little meatier as we progress toward combining those basics. This month’s TranspowerNZ video is focused on the 6-pulse bridge also known as the Graetz converter bridge. This device is a three-phase device. It is used in both the inverter and the rectifier and for the first time we are introduced to firing angle alpha (ά).
The 6-pulse bridge has a pulse number of 6 and can be thought of as a 6 phase, half wave circuit. It was used in early converter stations before being replaced by the 12-pulse rectifier, which we’ll go into in more detail in another month’s theory column. The 6-pulse rectifier had problems with high harmonic distortion for both the AC and DC sides of the converter.
About the Author
Gene Wolf
Technical Editor
Gene Wolf has been designing and building substations and other high technology facilities for over 32 years. He received his BSEE from Wichita State University. He received his MSEE from New Mexico State University. He is a registered professional engineer in the states of California and New Mexico. He started his career as a substation engineer for Kansas Gas and Electric, retired as the Principal Engineer of Stations for Public Service Company of New Mexico recently, and founded Lone Wolf Engineering, LLC an engineering consulting company.
Gene is widely recognized as a technical leader in the electric power industry. Gene is a fellow of the IEEE. He is the former Chairman of the IEEE PES T&D Committee. He has held the position of the Chairman of the HVDC & FACTS Subcommittee and membership in many T&D working groups. Gene is also active in renewable energy. He sponsored the formation of the “Integration of Renewable Energy into the Transmission & Distribution Grids” subcommittee and the “Intelligent Grid Transmission and Distribution” subcommittee within the Transmission and Distribution committee.

