Monitoring Systems for Secondary Substations
The second largest distribution system operator in Sweden, Ellevio AB, has installed equipment for the monitoring and communications of six secondary 11/0.4-kV substations in Stockholm’s emerging Royal Seaport neighborhood, the largest urban development in Sweden with 12,000 new residential homes.
Among the goals established for this project is to identify solutions to improve the system average interruption duration index (SAIDI), which is now 40 minutes per customer per annum in Stockholm, and the customer average interruption duration index (CAIDI), which is now 70 minutes per outage. Ellevio also plans to measure and collect data from the distribution network to improve the operation, maintenance and network planning. However, the main goal of these installations, which includes three different systems, is the monitoring of secondary substations to evaluate three areas:
• Whether it is possible to improve the availability and capacity of the network by implementing systems enabling advanced monitoring of secondary substations
• Alternative technical solutions for advanced monitoring of secondary substations
• Mobile communications as a replacement for the existing control cable network in Stockholm.
Project Planning
System planning started in 2011 with the objective to collect all data. As many relevant signals and measurements as possible were collected, although it remained unclear how exactly all the data could be used to benefit the customer and Ellevio.
Therefore, Ellevio decided to divide the monitoring of medium-voltage/low-voltage (MV/LV) substations into different functional levels. The basic level describes the situation today in Stockholm. Most equipment is operated locally with only a basic remote communications link that is a combined sum alarm function for the secondary substations. A sum alarm consists of five to 15 unique alarms that can be caused by, for example, a high transformer temperature or a tripped circuit breaker. Any of these alarms triggers a sum alarm through the underground control cable network to the source primary substation and, from there, through the supervisory control and data acquisition (SCADA) system to the network operations center.
The high monitoring level enables alarms, events, faults, operating modes and various measurements to be sent to the SCADA system, distribution management system (DMS) and file server. The DMS handles network supervision and control of Ellevio’s LV distribution network, while the SCADA system handles the MV and high-voltage (HV) networks.
Monitoring Systems
The monitoring systems for the secondary substations were supplied by three suppliers (A, B and C). The solution from supplier A provides a robust communications system divided into three parts: SCADA using IEC 60870-5-104 protocol, power-quality data using secure file transfer protocol and system administration using remote access. The system architecture from supplier B is the supplier’s own management system, currently not linked to Ellevio’s DMS. The only connection with Ellevio’s system is the unidirectional file transfer of measurement data to the database server. Similar to the system supplied by supplier A, the monitoring solution from supplier C provides critical information continuously polled from SCADA to the DMS.
In consultation with each supplier, Ellevio prepared a site-specific specification for each installation, and each supplier developed a technical solution to satisfy the relevant specification. The three monitoring systems were installed in six secondary substations — three in new MV/LV substations and three in existing MV/LV substations. The systems from supplier A and supplier C have a high monitoring level, and the system from supplier B has a medium monitoring level.
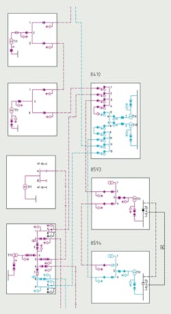
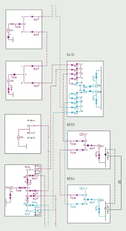
In central Stockholm, the MV network is designed as a double cable network. In substation 8456, the MV switchgear has four cable bays connected to the duplicate MV network. So, the monitoring system from supplier A is installed with an automatic switchover functionality for the two MV systems. In substation 8343, the automatic switchover was installed when the new substation was commissioned. Substation 8593 and substation 8594 have MV switchgear connected to a single MV cable system. The LV switchgear in these two substations is interconnected by three LV feeders that provide some redundancy, so the monitoring system installed from supplier C has automatic switchover functionality for the LV feeders.
In the event of a power failure, the battery backup systems for A, B and C are 12 hours, 15 hours and 2 hours, respectively, while the backup for the mobile systems that communicate with the monitoring systems varies with each mobile operator.
Radio planning in terms of the mobile coverage and measurement of radio characteristics was conducted at an early stage. This exercise proved to be essential in understanding which technology and mobile operator to select and whether an external antenna would be required at the substation.
System Installation
Because of the location and differing load conditions in Stockholm, there are several types of secondary substations, including built-on-site and prefabricated substations. Suppliers A and C performed thorough witnessed predelivery tests, and supplier B performed its own predelivery tests.
The basic requirement was that the installation of the monitoring systems should be undertaken without the need for supply interruptions. This was not a problem in the secondary substations with two or more distribution transformers, as the work could be completed at times of low load with one transformer deenergized. A mobile generator (1100 kVA) had to be used when the monitoring system was installed in the single-transformer substation 8371.
Installation of the monitoring systems in the existing substations, which had to be retrofitted, took longer than expected to complete and required more preplanning.
Communication and Security
Public mobile communications is used for all substations, but substation 8594 is connected to substation 8593 by fiber optics communicating through a 4G network. The monitoring systems from suppliers A and B have been using two different public operators, and 3G and 4G networks have been tested. For the monitoring system from supplier C, Ellevio selected a 4G solution with an isolated access point name (APN) that delivers a safe internet-protocol network from the public mobile operator, providing a network separated from the internet and dedicated solely to Ellevio.
Cybersecurity is important, and the main risks are handled by perimeter fencing as well as continuous monitoring and hardening of the networks and devices.
Continuous Monitoring and Data
The monitoring systems from suppliers A and C are connected to the SCADA and DMS systems so alarms, events and measured values are continuously monitored. Supplier B’s monitoring system is connected to the supplier’s own management system, where alarms, events and measured values also are monitored continuously. Also, this system includes a surveillance camera installed in substation 8410.
The measurements collected — for example, power quality and temperatures, for later analysis — are the same for each monitoring system. The data collected, in 15-minute intervals, is stored locally and periodically sent by file transfer. Web interfaces provided by suppliers A and C enable easy access to the most interesting data.
For substation 8410, several measurement points were well above the 8% limit for total harmonic distortion (THD) in accordance with Sweden’s SS-EN 50160 standard on voltage characteristics of electricity supplied by public electricity networks. For substation 8371, the active power (P) is unreasonably high for single measurement points. These problems were corrected.
Also, by comparing the power flows between MV, LV and the summarized power of all the LV feeders in substation 8593, it was evident the LV measurements were incorrect. An investigation revealed an installation fault with the LV current transformers, an issue that was corrected.
System Outlook
With all three monitoring systems in operation in the selected six secondary substations and all the mobile communication links commissioned, Ellevio now can share some major conclusions:
• As a result of measuring power-quality data in secondary substations, faults previously difficult to locate are rectified easily now.
• The functional level of the monitoring system will vary depending on the type of substation, so a limited number of different monitoring and communications systems will be installed in Stockholm.
• As retrofitting advanced monitoring systems is more complex, basic or low-level monitoring systems are preferable for existing secondary substations. In new secondary substations, more advanced monitoring systems can be installed.
• It is important to prioritize the most important data to optimize the solution for both monitoring and power-quality analysis. Experience confirmed a time resolution of 15-minute intervals provides the ideal compromise between quantity and quality.
• This new technology places new demands on staff competence in areas such as planning, commissioning, communication and data analysis.
• The monitoring system from supplier A is a technically mature system for secondary substations. Supplier B’s system has great potential, but it is not fully adapted for secondary substations. Supplier C’s system is a technologically advanced system, but the cost is currently too high.
Ellevio will continue to evaluate monitoring systems to understand the improvements these systems can offer in terms of availability and capacity of the network.
The utility’s next step is to retrofit monitoring equipment in 16 secondary substations in Stockholm with basic, low-level and medium-level systems based on its experience to date. The object is to examine systems that will satisfy Ellevio’s urgent needs at different levels. The utility hopes more stripped-down equipment will make the completed projects simpler and faster to install, resulting in lower costs.
Acknowledgement
These projects have been supported financially in part by the Swedish Energy Agency. The authors would also like to thank all the suppliers and people who, in any way, have been involved in this project. ♦
Joar Johansson is a development engineer at Ellevio AB. His primary focus currently is the local network in Stockholm, Sweden, and, more specifically, secondary substations and their components. Johansson worked previously with photovoltaic technology at Solibro (2007-2008) and measurement technology at ABB (2008-2011).
Henrik Sporre is a system manager for network and infrastructure solutions at Ellevio AB. He currently is responsible for Ellevio’s supervisory control and data acquisition communications solutions in Stockholm, Sweden, and on the Swedish West Coast. Sporre has a background in the consulting industry within the mobile telecom and energy fields, working mainly with communications solutions and new services.
Lars Selberg is head of the local network in Stockholm, Sweden, at Ellevio AB. Selberg is responsible for the low-voltage and medium-voltage utility network in the Stockholm region. He previously held management positions at Ericsson and Emerson Electric Co. in the telecom power field. He is a member of the Swedish National Committee and the Session 5 Group of the International Conference on Electricity Distribution (CIRED).
Olle Hansson is an independent consultant for Ellevio AB currently managing smart grid projects, including the Stockholm Royal Seaport smart grid project. Hansson previously worked with technology development at Ellevio for many years and represented Ellevio in industry co-financed research programs at universities in Sweden.
About the Author
Joar Johansson
Joar Johansson is a development engineer at Ellevio AB. His primary focus currently is the local network in Stockholm, Sweden, and, more specifically, secondary substations and their components. Johansson worked previously with photovoltaic technology at Solibro (2007-2008) and measurement technology at ABB (2008-2011).
Henrik Sporre
Henrik Sporre is a system manager for network and infrastructure solutions at Ellevio AB. He currently is responsible for Ellevio’s supervisory control and data acquisition communications solutions in Stockholm, Sweden, and on the Swedish West Coast. Sporre has a background in the consulting industry within the mobile telecom and energy fields, working mainly with communications solutions and new services.
Lars Selberg
Lars Selberg is head of the local network in Stockholm, Sweden, at Ellevio AB. Selberg is responsible for the low-voltage and medium-voltage utility network in the Stockholm region. He previously held management positions at Ericsson and Emerson Electric Co. in the telecom power field. He is a member of the Swedish National Committee and the Session 5 Group of the International Conference on Electricity Distribution (CIRED).
Olle Hansson
Olle Hansson is an independent consultant for Ellevio AB currently managing smart grid projects, including the Stockholm Royal Seaport smart grid project. Hansson previously worked with technology development at Ellevio for many years and represented Ellevio in industry co-financed research programs at universities in Sweden.







