ABB is a true pioneer in the world of industrial direct current (DC) applications, with ASEA, an ABB parent company, designing the world's first DC arc furnace in 1885. Today, over a century later, industrial transformers are used in a diverse range of applications including DC arc furnaces, electrolysis, compressors and static frequency converters for rail applications.
Challenges
In addition to the need for wide regulating ranges and low secondary voltages combined with extremely high currents, the main difference from other types of transformer applications is that in a DC environment the load currents have a high harmonic content. The rectifier that is directly connected to the transformer distorts the current waveform, so currents with multiples of the network frequency flow between the rectifier and the transformer. This has to be considered when the transformer is designed because the harmonic current leads to higher losses and higher temperatures in the transformer. Network regulations also require a reduction or limitation of harmonic distortion at the network connection point. In addition, special consideration needs to be given to areas such as short-circuit withstand and in-rush currents due to the size; remote installation of these units; and the combination of multiple transformers situated very closely together, both physically and electrically.
Technology
The rectifier technologies employed in industrial applications are commonly known as double star (DSS) or double bridge (DB) ➔ 1. DSS systems require the use of an interphase transformer and are predominately applied as 6- or 12-pulse units where high currents are required with very low nominal voltages; a 12-pulse DSS system can normally be supplied in a single tank. DB systems are applied as 6-, 12-, 24-, 48- or 60-pulse systems, as required to suit the harmonic mitigation and process stability requirements. A higher number of pulse groups can be applied but tend to be less commercially attractive.
1 Double bridge (DB; A) and double star (DSS; B) 6-pulse systems
A 12-pulse DB system is made up of two 6-pulse systems, with a 30-degree phase shift typically achieved by supplying one rectifier bridge via a star (wye) wound transformer secondary and the other bridge via a delta wound transformer secondary. In a 12-pulse system the opposing phase harmonics cancel each other out, dramatically reducing the fifth and seventh harmonic content in the line side. The impact of other low denomination harmonics can be reduced by applying a phase shift to the other parallel rectiformer groups ➔ 2. As shown in the figure, the two secondary windings are often part of the same transformer, thus providing the opportunity to achieve a magnetic balance within the transformer core and provide a solution where the harmonics are again engineered to counteract each other.
2 Star / delta secondary connection
Constructing the transformer core with the harmonics in mind has the additional benefit of reducing the impact the stray flux has on the current distribution within the windings ➔ 3.
3 Current distribution with and without intermediate yoke
Static converters
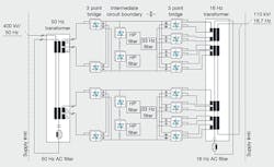
Industrial transformers can be used on either the front end of a converter in a large drive application or on both sides of a rail power converter. In the case of a rail converter, ABB has the experience of providing systems to convert from a three-phase network of up to 400 kV (50 Hz) to a single-phase system to suit standard rail frequencies such as 25 or 16.7 (formerly 16 2⁄3) Hz with ratings up to 110 kV ➔ 4.
4 Rail converter system. 400 kV 3 ph 50 Hz / 110 kV 1 ph 16 2⁄3 Hz static converter
The figure displays the basic circuit diagram for a rail converter system in which the two identical inverter blocks are independent but are operated together. The active rectifier input bridges feeding the DC intermediate circuit are synchronized to handle both the high voltages and minimize the losses using state-of-the-art power module technology. The 50 Hz transformer is a 400 kV unit in which two transformers are effectively combined into one active part providing a 12-pulse feed for the two 6-pulse bridge systems; the transformer also includes a tertiary winding. The eight four-quadrant output bridges from the inverters feed the 16.7 Hz transformer, which combines the eight single-phase supplies in one active part and includes both a 110 kV single-phase output and a tertiary winding.
The tertiary windings of each transformer are connected to filters; the purpose of each filter is to further reduce the harmonic voltage distortion. The configuration shown is one of two 75 MW sister systems, however, the technology has been employed on systems up to 100 MW. More information regarding static converters for rail applications can be found in ABB Review 2/2010.
DC furnace
For almost 130 years, ABB has been a key player in the DC furnace world and has supplied many customers with complete furnace packages. Although DC arc furnace transformers are often used for melting scrap metal, the ability to control the process offers benefits to customers with weak power supplies and those working in the wider metallurgical industry. Production of ferroalloys is also an important application; the major alloys are ferrosilicon, silicon metal and ferromanganese. Other significant alloys are ferronickel and ferrochrome.
Transformers used in the steel melting and metallurgical industry are characterized by the extreme load cycle and high secondary current (up to 160 kA electrode current); they allow a wide secondary voltage range achieved via a tap changer working together with thyristor type rectifiers and large smoothing chokes ➔ 5.
5 DC arc furnace schematic
Rectiformers
Regulating and rectifier transformer combinations that are applied to primary aluminum production (smelters) are affectionately known as "rectiformers"¹. A typical aluminum potline is built as a 60-pulse system with five parallel 12-pulse rectiformers, each with different phase-shift windings; a 60-pulse system can be achieved by the following phase shift angles: +12°, – 6°, 0°, + 6° and +12°. As mentioned, one of the characteristics of rectiformers for aluminum plants is a very large regulating voltage range, from 0 volts up to potentially 2,000 volts (DC), depending on how many pots are connected in series. When diodes are used, it is necessary to have a regulating transformer equipped with an on-load tap changer (OLTC) in series with the rectifier transformer to regulate the secondary voltage. The regulating transformer can, in some cases, be auto-connected and the extreme number of tap positions can also be achieved by a combination of off- and on-load tap changers. In combination with diode rectifiers, saturable reactors are normally required to regulate the voltage between the steps of the OLTC². The regulating transformer that is feeding the rectifier transformer may be built inside the same tank as the rectifier transformer or it may be supplied as a separate unit. Another possibility to regulate the secondary voltage is to use thyristor rectifiers, which may negate the need for the regulating transformer, the saturable reactors and in some cases the tap changer. Rectiformers can be supplied as a single tank solution for applications up to a rating of approximately 160 MVA, but for larger ratings transport limitations normally require that two transformers to be supplied as separate units. In the case of the rectifier transformers for diode type applications, they are typically supplied with saturable reactors mounted in the main tank, however, if required these can also be housed separately ➔ 6, 7.
|
6 Success story: Rectiformers ABB has been the market leader in the field of regulating and rectifier transformers in aluminum electrolysis (smelting) for many years and, despite the demands of this application, customers still have many units in service from ABB legacy brands such as ASEA, BBC, and National Industri etc. The demand for primary aluminum has increased significantly over the last decade, as has the need for improved efficiency and the size of the potlines themselves. ABB already has plants operating at up to 1,750 V / 390 kA (DC) and is currently installing and commissioning rectiformers in what will be the world’s largest integrated aluminum plant for the Ma’aden Aluminum Company in Saudi Arabia. For this very high profile project (the total project value expected to exceed $10 billion), the industrial transformer focus factory in Bad Honnef, Germany, was selected to supply 10 regulating transformers each with 107 tap positions and rated at 230 kV feeding 10 rectifier transformers each with a secondary rating to suit 0–1,750 V and 105 kA (DC). For the Ma’aden project the engineering teams of Bad Honnef, the Minerals Process Automation group in Dättwil, Switzerland and the Power Electronics product group in Turgi, Switzerland, worked very closely together to deliver a system of transformers, rectifiers and filters that could achieve the customers' commercial goals while meeting the enormous technical challenges associated with such a high-power application in a remote and almost desert-like environment. The 10 rectiformer pairs will be split across two potlines in an N-1 configuration to provide the required pot line ratings of 1,750 V and 420 kA*. ABB also successfully secured the orders for several of the auxiliary power transformers. ------------------ Footnote |
New products
Since the turn of the millennium, the demand for primary aluminum has grown from 25 million metric tons to almost 45 and the outlook remains buoyant, with even conservative estimates forecasting that demand will exceed 65 million tons before the year 2020. To meet this thirst for aluminum the production capacity has also increased, with major investments seen in both the Middle East and China, although the smelter philosophies employed in these two aluminum powerhouses have been quite different. Middle Eastern producers have focused on very large installations and are continually looking to push the size and power of individual smelters, whereas the Chinese focus has been on constructing many smaller smelters. However, the situation in China is now changing and as the focus is moving to efficiency and reliability, the smaller (< 120 kA) smelters situated in eastern China have been closing down and there is a trend towards building much larger plants (>350kA) in the coal rich northwest of the country.
Over several years ABB has listened carefully to the demands of the Chinese market. In 2012, ABB announced the launch of a product family tailored to the specific needs of Chinese aluminum producers – the ABB anti-parallel transformer system.
Anti-parallel connection
In China, the primary aluminum industry typically employs a rectifier topology that is referred to as anti-parallel or Chinese technology. This topology is not unique to China and the term antiparallel refers to the physical orientation of the valves, which could be either diodes or thyristors. The anti-parallel system uses two parallel valves that are mounted next to each other and switched simultaneously. The parallel valves are connected to two different windings that are connected in phase opposition (with a phase shift of 180°) ➔ 8.
In ➔ 8, the valve (a11) is switched by the positive half cycle of u2 while simultaneously valve a21 is switched by the negative half cycle of u3. The adjacent secondary side exits are connected to the transformer secondary windings with an opposite winding direction; thus the effects of the currents are compensating each other. As a result, the effects of the magnetic field on the tank and structure are reduced, which results in a lower impedance and a reduction of losses.
From a transformer perspective this connection configuration requires twice the number of (parallel) LV bushings and a different low-voltage bus bar / bushing arrangement. In addition, the regulating range for the saturable reactors is typically wider than that required for the traditional aluminum applications, thereby requiring a large core area.
For a large regulation range in combination with the LV bushing arrangement used for the anti-parallel connected rectifiers, the saturable reactors are mounted vertically. This also affects the layout for the low voltage bus bars. To reduce the physical size of the regulating transformer the system can be based on six electrical connections from the regulating transformer to the rectifier transformers and utilize a combined cooler bank to further reduce the rectiformer footprint.
The anti-parallel systems are now available for ratings up to 175 MVA; however, bespoke solutions can be provided according to customers' individual requirements.
Andrew Collier
Gerhard Greve
Surjith Ram Veldurthi
ABB Industrial Transformers
Bad Honnef, Germany
[email protected]
[email protected]
[email protected]
------------------------
Further reading
ABB Review 2/2010, Railways and transportation.
------------------------
Footnotes
- Other rectiformer applications include chemical electrolysis, graphitizing furnaces, zinc or copper refining etc.
- The purpose of the saturable reactors is to achieve fine and continuous regulation of the DC voltage in diode rectifier systems. The core area of a saturable reactor is normally made by a certain number of wound cores that are traditionally mounted horizontally to achieve the requested cross section. Through the core arrangement a bus-bar system leads the current of the power circuit and two driving circuits are wound around the magnetic core; a DC current flows through each driving circuit to control the magnetization status of the core and with that, the voltage variation.







